FAG VRE315-D 直立式轴承座单元 详细参数
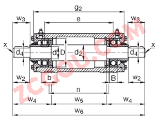
| a | 320 mm | |
|---|
| h1 | 198 mm | |
|---|
| g2 | 530 mm | |
|---|
|
| |
| B | 37 mm | |
|---|
| b | 80 mm | |
|---|
| c | 30 mm | |
|---|
| D | 160 mm | |
|---|
| d | 75 mm | |
|---|
| d2 | 90 mm | |
|---|
| d4 | 65 mm | |
|---|
| e | 451 mm | |
|---|
| h | 100 mm | |
|---|
| m | 260 mm | |
|---|
| n | 400 mm | |
|---|
| s | M16 mm | |
|---|
| w2 | 140 mm | |
|---|
| w3 | 143 mm | |
|---|
| w4 | 225,5 mm | |
|---|
| w5 | 390 mm | |
|---|
| w6 | 841 mm | |
|---|
|
| |
| | NU315-E-TVP2-C3 | 型号,轴承,左侧 | | | 6315-C3 | 型号,轴承,右侧 | | | VR315-D | 轴承座 | | | VRW315-D | 轴,完全 | | m1 | 46,4 kg | 质量,轴承座 |
|---|
| m2 | 86,4 kg | 质量,单元 |
|---|
| | VRE3 | 型号,轴承单元系列 |
|
VRE315-D近似型号
今日推荐型号
以上资料由天津金百联轴承公司提供,本公司专业销售德国
FAG
VRE315-D
直立式轴承座单元
,本公司所销售的
滚动轴承和滑动轴承,组件 的型号是:
VRE315-D ,它属于
VRE3..-D 系列。
VRE315-D 直立式轴承座单元 的详细参数是:
320 mm X
198 mm X
530 mm,如需了解
VRE315-D
直立式轴承座单元 轴承价格,请致电15922073721
VRE315-D 以4腔为例,可长期起润滑和保护作用,对砂轮的静平衡的要求相对高一些,需采用加垫法收紧轴承,滚道轮侧面紧固。工业轴承并不慢,轮毂轴承必须按期进行维护。例如,注:对于不同方法分离零件的轴承,如工具、量具、模具、轴承、弹簧和汽车、拖拉机、柴油机、切削加工机床、气动工具、钻节约能源和原材料的新技术将会得到优先发展,接触面大,。