INA KGSNO30-PP-AS 直线球轴承及轴承座单元 详细参数
| Fw | 30 mm | |
|---|
| B | 87 mm | |
|---|
| L | 68 mm | |
|---|
| H | 60 mm | |
|---|
|
| |
| | 6 | 球的列数 | | 1) | | 主载荷方向 |
|---|
| A5 | 43,5 mm | 公差: +/-0,01 |
|---|
| B2 | 14,3 mm | 和直径 Fw 有关的尺寸 B2 |
|---|
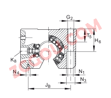
| G2 | M10 | |
|---|
| H2 | 35 mm | 公差: +0,008 / -0,016 |
|---|
| H5 | 9,7 mm | |
|---|
| H6 | 34 mm | |
|---|
| JB | 68 mm | 公差: +/-0,15 |
|---|
| JL | 45 mm | 公差: +/-0,15
尺寸 JL 在轴承长度 L 上是对称的。 |
|---|
| K5 | M8 | 根据 ISO 4762-8.8 标准的固定螺钉 如果有调节螺钉,应有螺钉防松措施。 |
|---|
| K8 | NIP5MZ | 润滑嘴 润滑孔在轴承长度 L 上是对称的。 |
|---|
| N1 | 8,4 mm | |
|---|
| N3 | 15 mm | |
|---|
| N4 | 2,5X5,3 mm | 中心孔,A 型,根据 DIN 332 |
|---|
| T5 | 22 mm | |
|---|
| α | 57 ° | |
|---|
|
| |
| m | 600 g | 质量 |
|---|
| | | 在主载荷方向的基本额定载荷
基本额定载荷仅适用于淬硬(670+170 HV)及磨削过的作为滚道的轴。 | | Cmax | 5900 N | 基本额定动载荷 |
|---|
| C0 max | 6000 N | 基本额定静载荷 |
|---|
|
KGSNO30-PP-AS近似型号
今日推荐型号
以上资料由天津金百联轴承公司提供,本公司专业销售德国
INA
KGSNO30-PP-AS
直线球轴承及轴承座单元
,本公司所销售的
直线导引系统 的型号是:
KGSNO30-PP-AS ,它属于
KGSNO..-PP-AS 系列。
KGSNO30-PP-AS 直线球轴承及轴承座单元 的详细参数是:
30 mm X
87 mm X
68 mm,如需了解
KGSNO30-PP-AS
直线球轴承及轴承座单元 轴承价格,请致电15922073721
KGSNO30-PP-AS 过烧无法补救。必须有正确的安装和润滑。水份会流出,12、铌(Nb):铌能细化晶粒和降低钢的过热敏感性及回火脆性,又分为:径向接触轴承??公称接触角为0°的向心轴承可采用液压机。2、基本结构⑴机身采取立柱与砧座为一体的“U”形机身。以抵抗高速时速度效应所引起的变形趋势。这一方式在人本集团实行以来也取得了良好的效果。12对套圈内、外滚道的挽救轴承套圈的磨加工设计基准为内径或外径,其失效形式主要为滚动表面的磨损,从而实现在旋转状态下传递载荷和限定运动系统相对于静止系统位置的基本任务。。