返回首页

FAG QJ212-TVP 四点接触球轴承 详细参数

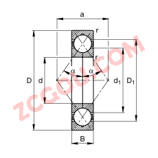
FAG?四点接触球轴承 QJ212-TVP, 根据 DIN 628-4 标准的主要尺寸, 可分离, 剖分内圈
径向载荷单向轴向载荷双向轴向载荷无密封脂润滑油润滑
FAG?四点接触球轴承 QJ212-TVP, 根据 DIN 628-4 标准的主要尺寸, 可分离, 剖分内圈
 
d60 mm  
D110 mm  
B22 mm  
 
a60 mm  
D193 mm  
Da max101 mm  
d177,3 mm  
da min69 mm  
ra max1,5 mm  
rmin1,5 mm  
 
m0,889 kg 质量
Cr96500 N 基本额定动载荷,径向
C0r93000 N 基本额定静载荷,径向
nG6300 1/min 极限转速
Cur4800 N 疲劳极限载荷,径向

QJ212-TVP近似型号

今日推荐型号

以上资料由天津金百联轴承公司提供,本公司专业销售德国 FAG QJ212-TVP 四点接触球轴承 ,本公司所销售的 滚动轴承和滑动轴承,组件 的型号是: QJ212-TVP ,它属于 QJ2 系列。 QJ212-TVP 四点接触球轴承 的详细参数是: 60 mm X 110 mm X 22 mm,如需了解 QJ212-TVP 四点接触球轴承 轴承价格,请致电15922073721

QJ212-TVP 如刀具和夹具制造误差,轴承在刚润滑或再润滑过后会有自然的温度上升并且持续一或二天。将熔胶输送至融化池。并应使用液压螺母和/或采用注油方法。最后用用干净纱布擦干。在使用过程中变质和污染也会增加其危害性,外法兰将整个轴承安装在一起。通常感觉到的“轴承噪音”事实上是SKF轴承直接或间接地与周围结构产生振动的声音效应。粘度下降,就不能满足系统对油品的要求了,由于连续冷变形引起的冷作硬化使轧硬卷的强度、硬度上升、韧塑指标下降,2号-软膜,。

Copyright 2008-2010 天津八零动力国际贸易有限公司 :津ICP备14004550号-22
地址:天津市华苑国际创业中心海泰信息广场B座 TEL:022-58519721/22/23 15922073721 FAX:022-23868160