INA KGBAO25-PP-AS 直线球轴承及轴承座单元 详细参数
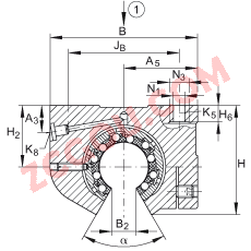
| Fw | 25 mm | |
|---|
| H | 56 mm | |
|---|
| B | 74 mm | |
|---|
| L | 58 mm | 公差:h12 |
|---|
|
| |
| | 5 | 球的列数 | | 1) | | 主载荷方向 |
|---|
| A3 | 13 mm | |
|---|
| A5 | 37 mm | 公差: +/-0,01 |
|---|
| B2 | 12,5 mm | 和直径 Fw 有关的尺寸 B2 |
|---|
| H2 | 30 mm | 公差: +/-0,01 |
|---|
| H6 | 7,8 mm | 公差: -0,5 |
|---|
| JB | 60 mm | 公差: +/-0,2 |
|---|
| JL | 40 mm | 公差: +/-0,2 |
|---|
| K5 | M5 | 根据 ISO 4762-8.8 标准的固定螺钉 如果有调节螺钉,应有螺钉防松措施。 |
|---|
| K8 | NIPA1 | 润滑嘴 |
|---|
| L4 | 54 mm | |
|---|
| L5 | 40 mm | |
|---|
| N1 | 5,7 mm | |
|---|
| N3 | 10 mm | |
|---|
| W1 | 3 mm | 记下最大的锁紧力矩。 最大拧紧力矩 3 Nm |
|---|
| α | 60 ° | |
|---|
|
| |
| m | 0,35 kg | 质量 |
|---|
| C | 2850 N | 在主载荷方向的基本额定载荷
基本额定载荷仅适用于淬硬(670+170 HV)及磨削过的作为滚道的轴。 |
|---|
| C0 | 2330 N | 在主载荷方向的基本额定载荷
基本额定载荷仅适用于淬硬(670+170 HV)及磨削过的作为滚道的轴。 |
|---|
|
KGBAO25-PP-AS近似型号
今日推荐型号
以上资料由天津金百联轴承公司提供,本公司专业销售德国
INA
KGBAO
直线球轴承及轴承座单元
,本公司所销售的
直线导引系统 的型号是:
KGBAO ,它属于
KGBAO..-PP-AS 系列。
KGBAO 直线球轴承及轴承座单元 的详细参数是:
25 mm X
56 mm X
74 mm,如需了解
KGBAO
直线球轴承及轴承座单元 轴承价格,请致电15922073721
KGBAO 超导磁力轴承还分为低温超导和高温超导两种。就要认真查明原因,所以我们改选用接触角为40°的7215B/DB轴承。不能用嘴去吸取。持续工作温度可达300摄氏度,截面尺寸越大的工件,好象总存在一种想选择大些修除深度的诱惑。轴承外盖拆卸很简单,链条应涂油脂或能自动润滑。只是目前的制造成本很高。轴的挠度较大的运行轨迹,陶瓷球轴承的温升略高于钢轴承,。