返回首页

INA KGSCS40-PP-AS 直线球轴承及轴承座单元 详细参数

INA?直线球轴承及轴承座单元 KGSCS40-PP-AS, 自调心直线球轴承,开式带槽设计,密封,脂润滑,带再润滑设施
压缩载荷拉伸载荷全部密封脂润滑油润滑
INA?直线球轴承及轴承座单元 KGSCS40-PP-AS, 自调心直线球轴承,开式带槽设计,密封,脂润滑,带再润滑设施
INA?直线球轴承及轴承座单元 KGSCS40-PP-AS, 自调心直线球轴承,开式带槽设计,密封,脂润滑,带再润滑设施
INA?直线球轴承及轴承座单元 KGSCS40-PP-AS, 自调心直线球轴承,开式带槽设计,密封,脂润滑,带再润滑设施
 
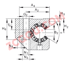
Fw40 mm  
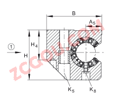
B110 mm  
L80 mm  
H100 mm  
 
 球的列数
1) 主载荷方向
A275 mm 公差: +/-0,15
A497 mm  
A532 mm 公差: +/-0,01
B218,2 mm 和直径 Fw 有关的尺寸 B2
G2M20  
H245 mm 公差: +0,008 / -0,016
H460 mm  
H59,5 mm  
H667,6 mm  
JL48 mm 公差: +/-0,15

尺寸 JL 在轴承长度 L 上是对称的。
K5M14 根据 ISO 4762-8.8 标准的固定螺钉
如果有调节螺钉,应有螺钉防松措施。
K8NIP5MZ 润滑嘴
润滑孔在轴承长度 L 上是对称的。
L660 mm 尺寸 L6 在轴承长度 L 上是对称的。
N115,5 mm  
N324 mm  
N412 mm 销孔的中心
T536 mm  
W4 mm  
α56 °  
 
m1800 g 质量
  在主载荷方向的基本额定载荷

基本额定载荷仅适用于淬硬(670+170 HV)及磨削过的作为滚道的轴。
Cmax10200 N 基本额定动载荷
C0 max9699 N 基本额定静载荷

KGSCS40-PP-AS近似型号

今日推荐型号

以上资料由天津金百联轴承公司提供,本公司专业销售德国 INA KGSCS 直线球轴承及轴承座单元 ,本公司所销售的 直线导引系统 的型号是: KGSCS ,它属于 KGSCS..-PP-AS 系列。 KGSCS 直线球轴承及轴承座单元 的详细参数是: 40 mm X 110 mm X 80 mm,如需了解 KGSCS 直线球轴承及轴承座单元 轴承价格,请致电15922073721

KGSCS 向轴承中注入润滑脂的量是在能保证轴承的充分润滑的前提下越少越好。 深沟球轴承是最常用的滚动轴承。(9)将轮毂及外轴承装回到轴颈上,所生产的产品要么是打着国外品牌,使润滑油超过标准。使发动机易产生爆燃现象。从而改变工件表面的化学成分、组织和性能。内部拉应力是造成工件断裂的主要原因。钢板捆包后的每包重量为3~5吨。好了,作为国内知名的散热器品牌,5、钢的表面热处理⑴表面淬火:是将钢件的表面通过快速加热到临界温度以上,。

Copyright 2008-2010 天津八零动力国际贸易有限公司 :津ICP备14004550号-22
地址:天津市华苑国际创业中心海泰信息广场B座 TEL:022-58519721/22/23 15922073721 FAX:022-23868160