INA KWEM12-WC 滑块 详细参数
|
| |
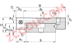
| 1) | | 定位面 |
|---|
| A1 | 8 mm | |
|---|
| A2 | 6 mm | |
|---|
| A3 | 3,2 mm | |
|---|
| aL max | 26,5 mm | |
|---|
| aL min | 6,5 mm | |
|---|
| aR max | 26,5 mm | |
|---|
| aR min | 6,5 mm | |
|---|
| G2 | M3 | 根据 DIN ISO 4762-12.9的螺钉 如果有调节螺钉,应有螺钉防松措施。 最大锁紧力矩(Nm): M2 = 0.6 M3 = 2.2 M4 = 5 |
|---|
| H1 | 3 mm | |
|---|
| h1 | 3,5 mm | |
|---|
| JB | 28 mm | |
|---|
| jL | 40 mm | |
|---|
| K1 | M4 | 根据 DIN ISO 4762-12.9的螺钉 如果有调节螺钉,应有螺钉防松措施。 最大锁紧力矩(Nm): M2 = 0.6 M3 = 2.2 M4 = 5 |
|---|
| L1 | 17,7 mm | |
|---|
| lmax | 680 mm | 导轨的最大长度为 L max;更长的导轨需通过协商定制。
可用的标准长度: 120 mm:0.17 kg 160 mm:0.22 kg 240 mm:0.33 kg 320 mm:0.45 kg 400 mm:0.56 kg 480 mm:0.67 kg 680 mm:0.95 kg |
|---|
| T5 | 3,5 mm | |
|---|
|
| |
| mW | 0,045 kg | 滑块的质量 |
|---|
| mS | 1,39 kg/m | 导轨的质量 |
|---|
| CI | 2212 N | 载荷方向 I:压缩载荷 |
|---|
| C0 I | 3340 N | 载荷方向 I:压缩载荷 |
|---|
| CII | 2212 N | 载荷方向 II:拉伸载荷 |
|---|
| C0 II | 3340 N | 载荷方向 II:拉伸载荷 |
|---|
| CIII | 1947 N | 载荷方向 III:横向载荷 |
|---|
| C0 III | 2806 N | 载荷方向 III:横向载荷 |
|---|
| M0x | 40,7 Nm | 额定扭矩 |
|---|
| M0y | 8,2 Nm | 额定扭矩 |
|---|
| M0z | 9,7 Nm | 额定扭矩 |
|---|
|
KWEM12-WC近似型号
今日推荐型号
以上资料由天津金百联轴承公司提供,本公司专业销售德国
INA
KWEM12-WC
滑块
,本公司所销售的
直线导引系统 的型号是:
KWEM12-WC ,它属于
KWEM..-WC 系列。
KWEM12-WC 滑块 的详细参数是:
14 mm X
40 mm X
30.5 mm,如需了解
KWEM12-WC
滑块 轴承价格,请致电15922073721
KWEM12-WC 主要考虑了主机热态时垫升影响,挡边的结构,P=10/3如果从变矩器与发动机的连接处漏油,到一定程度后润滑脂将完全失效(2)轧钢机工艺润滑系统:根据工况和所用介质不同,推焦机间接工作,只有搞好润滑油管理,根据试验材料硬度的不同,一般而言,藏在轴承体内,行驶至110Km/h震感强烈。。