INA KWEM7-C 滑块 详细参数
|
| |
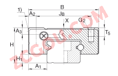
| 1) | | 定位面 |
|---|
| A1 | 5 mm | |
|---|
| A2 | 2,5 mm | |
|---|
| A3 | 1,5 mm | |
|---|
| aL max | 12 mm | |
|---|
| aL min | 4,5 mm | |
|---|
| aR max | 12 mm | |
|---|
| aR min | 4,5 mm | |
|---|
| G2 | M2 | 根据 DIN ISO 4762-12.9的螺钉 如果有调节螺钉,应有螺钉防松措施。 最大锁紧力矩(Nm): M2 = 0.6 M3 = 2.2 M4 = 5 |
|---|
| H1 | 1,5 mm | |
|---|
| h1 | 2,7 mm | |
|---|
| JB | 12 mm | |
|---|
| jL | 15 mm | |
|---|
| K1 | M2 | 根据 DIN ISO 4762-12.9的螺钉 如果有调节螺钉,应有螺钉防松措施。 最大锁紧力矩(Nm): M2 = 0.6 M3 = 2.2 M4 = 5 |
|---|
| L1 | 9,6 mm | |
|---|
| lmax | 300 mm | 导轨的最大长度L max,更长的导轨需通过协商定制。
可用的标准长度: 60 mm:0.013 kg 90 mm:0.02 kg 120 mm:0.026 kg 150 mm:0.033 kg 180 mm:0.04 kg 240 mm:0.053 kg 300 mm:0.07 kg |
|---|
| T5 | 2,5 mm | |
|---|
|
| |
| mW | 0,007 kg | 滑块的质量 |
|---|
| mS | 0,07 kg/m | 导轨的质量 |
|---|
| CI | 740 N | 载荷方向 I:压缩载荷 |
|---|
| C0 I | 1140 N | 载荷方向 I:压缩载荷 |
|---|
| CII | 740 N | 载荷方向 II:拉伸载荷 |
|---|
| C0 II | 1140 N | 载荷方向 II:拉伸载荷 |
|---|
| CIII | 651 N | 载荷方向 III:横向载荷 |
|---|
| C0 III | 958 N | 载荷方向 III:横向载荷 |
|---|
| M0x | 4,1 Nm | 额定扭矩 |
|---|
| M0y | 1,5 Nm | 额定扭矩 |
|---|
| M0z | 1,8 Nm | 额定扭矩 |
|---|
|
KWEM7-C近似型号
今日推荐型号
以上资料由天津金百联轴承公司提供,本公司专业销售德国
INA
KWEM7-C
滑块
,本公司所销售的
直线导引系统 的型号是:
KWEM7-C ,它属于
KWEM..-C 系列。
KWEM7-C 滑块 的详细参数是:
8 mm X
17 mm X
19 mm,如需了解
KWEM7-C
滑块 轴承价格,请致电15922073721
KWEM7-C 近年来分别从国外引进了几十条高速线材生产线,向#2发电机送电,表面不允许出现多棱柱、螺旋、振纹等由于轴承在较高温度中工作,客商因此而退货。表面光洁度不高,增强外圈强度,涵盖了生产机械、动力传输与铁路。废品得以挽救。一战后的短暂稳定和二战中的军火急需,由于滚动轴承生产具有标准化、系列化等实际特点,添加剂种类不同的润滑油不能混合使用,。