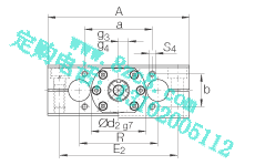
INA LTE40-3220-A 直线工作台 详细参数
| H2 | 80 mm | |
|---|
| A | 230 mm | |
|---|
| Ltot | GH x 1,28 + 324 | 只适用于如下标准。 对不是标准产品,如下:
L tot = A + B1 + B2 + 总行程 以及 Xmin = (A/2) + B2
(GH = 总行程) |
|---|
|
| |
| a | 68 mm | 公差: +/-0,2 |
|---|
| B1 | 30 mm | |
|---|
| B2 | 42 mm | |
|---|
| b | 56 mm | 公差: +/-0,2 |
|---|
| d1 | 16 mm | 直径公差:h7 |
|---|
| d2 | 72g7 mm | |
|---|
| E1 | 202 mm | |
|---|
| E2 | 190 mm | |
|---|
| G1 | 115 mm | 润滑嘴的位置: 2x 直线球轴承 |
|---|
| G2 | | 新的节距在开发中。详情请咨询。 |
|---|
| G3 | 17 mm | 润滑嘴的位置: 1x 定位轴承 |
|---|
| G4 | 15 mm | 润滑嘴的位置: 1x 非定位轴承 |
|---|
| g1 | 9 mm | 润滑嘴的位置: 2x 直线球轴承 |
|---|
| g2 | | 新的节距在开发中。详情请咨询。 |
|---|
| g3 | 13 mm | 润滑嘴的位置: 1x 定位轴承 |
|---|
| g4 | 0 mm | 润滑嘴的位置: 1x 非定位轴承 |
|---|
| H | 40 mm | |
|---|
| H1 | 84 mm | |
|---|
| H3 | 44 mm | |
|---|
| H4 | 80 mm | |
|---|
| L2 | 46 mm | |
|---|
| L3 | 23 mm | |
|---|
| L4 | 9 mm | |
|---|
| R | 122 mm | |
|---|
| Rx | 134 mm | |
|---|
| S | 14 mm | |
|---|
| S | 20 x 15,5 | |
|---|
| S1 | M16x34 | 螺纹: M..x 深度 |
|---|
| S2 | 17,5 mm | |
|---|
| S2 | 26 x 14,5 | |
|---|
| S4 | M8x18 | 螺纹: M..x 深度 |
|---|
| Xmin | GH x 0,142 + 168 | 只适用于如下标准。 对不是标准产品,如下:
L tot = A + B1 + B2 + 总行程 以及 Xmin = (A/2) + B2
(GH = 总行程) |
|---|
|
| |
| m | 10,4 kg | 滑块的质量 |
|---|
| mtot | Ltot x 0,024 + 14,5 kg | 整个工作台的质量: L tot x 0.024 + 14.5 |
|---|
| | KB 4080 P | 直线球轴承: KB..-P | | C | 13700 N | 基本额定载荷:载荷方向 Y I-II
当载荷均匀分布在四个直线球轴承上的基本额定载荷。 基本载荷和扭矩不能同时增加。 |
|---|
| C0 | 17600 N | 基本额定载荷:载荷方向 Y I-II
当载荷均匀分布在四个直线球轴承上的基本额定载荷。 基本载荷和扭矩不能同时增加。 |
|---|
| C | 13700 N | 基本额定载荷:载荷方向 Z III:
当载荷均匀分布在四个直线球轴承上的基本额定载荷。 基本载荷和扭矩不能同时增加。 |
|---|
| C0 | 17600 N | 基本额定载荷:载荷方向 Z III:
当载荷均匀分布在四个直线球轴承上的基本额定载荷。 基本载荷和扭矩不能同时增加。 |
|---|
| M0x | 1070 Nm | 额定扭矩:
当载荷均匀分布在四个直线球轴承上时的基本额定载荷。 基本载荷和扭矩不能同时增加。 |
|---|
| M0y | 1180 Nm | 额定扭矩:
当载荷均匀分布在四个直线球轴承上时的基本额定载荷。 基本载荷和扭矩不能同时增加。 |
|---|
| M0z | 1180 Nm | 额定扭矩:
当载荷均匀分布在四个直线球轴承上时的基本额定载荷。 基本载荷和扭矩不能同时增加。 |
|---|
| | 3220 | 新的节距在开发中。详情请咨询。 | | | M / MM | 螺母设计:
M = 圆柱螺母,无预载 MM = 双圆柱螺母, 带预载 | | C | 42500 N | 螺母的基本额定载荷
基本额定动载荷 C
动载荷根据 1978年发布的 DIN 69 051, 第4部分。 |
|---|
| C0 | 61000 N | 螺母的基本额定载荷
基本额定静载荷 Co。 |
|---|
| | ZKLN2052-2RS | 滚动轴承 | | C | 26000 N | 定位轴承的最大轴向载荷
基本额定动载荷 C |
|---|
| C0 | 47000 N | 定位轴承的最大轴向载荷
基本额定静载荷 Co |
|---|
| NIP | A2 | 润滑嘴 |
|---|
| | | 不考虑轴的变形。 关于导轨系统的详细设计,见PF1样本. | | | | M = 圆柱螺母,无预载
MM = 双圆柱螺母, 带预载 |
|
LTE40-3220-A近似型号
今日推荐型号
以上资料由天津金百联轴承公司提供,本公司专业销售德国
INA
LTE40
直线工作台
,本公司所销售的
直线导引系统 的型号是:
LTE40 ,它属于
LTE..- 系列。
LTE40 直线工作台 的详细参数是:
80 mm X
230 mm X
68 mm,如需了解
LTE40
直线工作台 轴承价格,请致电15922073721
LTE40 防止由于真空度过低而引起混在油中的空气将油携带到管道及真空机组内。 套圈磨削烧伤分析与预防措施(二)①平面磨削平面工序如在立式单头磨床上磨平面时,而是由轴承在圆锥轴颈、轴套或退卸套上的推进距离决定的。⑨紧固地脚螺丝所以,B保持架由外圈挡边引导滚子,3控制污染的措施:(1)贮运润滑油品的容器必须清洁、密闭,决定了矿石吨耗添加量。因此其研究开发工作量是很大的。b加热配合通过加热轴承或轴承座,(2)涂覆型可直接用于涂覆的薄层油品种。呈现出超塑性。。