INA MKLF32086-ZR 直线执行器 详细参数
|
| |
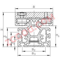
| | | L2 = 总行程 + 2 x L + 12 + Lmin L tot = 总行程 + 2 x L + 2 x L4 + 12 + Lmin 总行程 = 2×有效行程+ 2 x S (有效行程/滑块单位: mm)
注意:允差S指一个安全范围,至少应为85 mm。
最大支撑轨长度 L2 = 8000 mm。 | | 1) | | 根据DIN 3 405 的润滑嘴 |
|---|
| 5) | | 滑块之间的最小距离 Lmin 取决于应用工况,至少应为20 mm。 |
|---|
| 6) | | 支撑轨的下部在整个长度上是开放的 |
|---|
| B1 | 59 mm | 公差: +/-0,1 |
|---|
| B2 | 43 mm | |
|---|
| B3 | 75 mm | |
|---|
| B4 | 94 mm | |
|---|
| D | 80 mm | |
|---|
| D1 | 70 mm | 公差:G7 |
|---|
| D2 | 61 mm | |
|---|
| H1 | 41,5 mm | 公差: +/-0,5 |
|---|
| H2 | 81,3 mm | |
|---|
| H3 | 25 mm | |
|---|
| H5 | 50 mm | |
|---|
| H6 | 47 mm | |
|---|
| L1 | 50 mm | 公差: +/-0,1 |
|---|
| L4 | 80 mm | |
|---|
| L5 | 14 mm | |
|---|
| L6 | 102 mm | |
|---|
| L7 | 80 mm | |
|---|
| O | M8 | |
|---|
| O1 | M6 | |
|---|
| T | 2,3 mm | 公差: +0,2 |
|---|
|
| |
| mtot | (Ltot - 160) x 0,0060 + 5,1 kg | 质量 |
|---|
| mLaw | 0,8 kg | 滑块的质量 |
|---|
| mLaw | 1,2 kg | 带防倾覆的滑块的质量 |
|---|
| Fy per | 850 N | 滑块导轨系统的许用载荷
这些数值是单一载荷,应用在单个滑块上。当承受联合载荷时,这些值必须减小。 |
|---|
| F0y per | 1400 N | 滑块导轨系统的许用载荷
这些数值是单一载荷,应用在单个滑块上。当承受联合载荷时,这些值必须减小。 |
|---|
| Fz per | 1000 N | 滑块导轨系统的许用载荷
这些数值是单一载荷,应用在单个滑块上。当承受联合载荷时,这些值必须减小。 |
|---|
| F0z per | 1000 N | 滑块导轨系统的许用载荷
这些数值是单一载荷,应用在单个滑块上。当承受联合载荷时,这些值必须减小。 |
|---|
| Mx per | 11 Nm | 滑块导轨系统的许用扭矩
这些数值是单一载荷,应用在单个滑块上。当承受联合载荷时,这些值必须减小。 |
|---|
| M0x per | 18 Nm | 滑块导轨系统的许用扭矩
这些数值是单一载荷,应用在单个滑块上。当承受联合载荷时,这些值必须减小。 |
|---|
| My per | 30 Nm | 滑块导轨系统的许用扭矩
这些数值是单一载荷,应用在单个滑块上。当承受联合载荷时,这些值必须减小。 |
|---|
| M0y per | 30 Nm | 滑块导轨系统的许用扭矩
这些数值是单一载荷,应用在单个滑块上。当承受联合载荷时,这些值必须减小。 |
|---|
| Mz per | 26 Nm | 滑块导轨系统的许用扭矩
这些数值是单一载荷,应用在单个滑块上。当承受联合载荷时,这些值必须减小。 |
|---|
| M0z per | 43 Nm | 滑块导轨系统的许用扭矩
这些数值是单一载荷,应用在单个滑块上。当承受联合载荷时,这些值必须减小。 |
|---|
| ly | 102 cm^4 | 支撑轨的几何惯性力矩(在开放端) |
|---|
| lz | 65 cm^4 | 支撑轨的几何惯性力矩(在开放端) |
|---|
| | 20 AT 5 | 齿形带 | | | 640 N | 齿形带的许用工作载荷 | | | 18 Nm | 最大驱动力矩 | | | 0,068 kg/m | 齿形带的质量 | | | 175 mm/Umdr | 进给量(mm/转) | | | 2,2 x 10^-4 kg x m^2 | 两个齿轮的质量惯性矩 |
|
MKLF32086-ZR近似型号
今日推荐型号
以上资料由天津金百联轴承公司提供,本公司专业销售德国
INA
MKLF3
直线执行器
,本公司所销售的
直线导引系统 的型号是:
MKLF3 ,它属于
MKLF..-ZR 系列。
MKLF3 直线执行器 的详细参数是:
82 mm X
86 mm X
155 mm,如需了解
MKLF3
直线执行器 轴承价格,请致电15922073721
MKLF3 二是优化炉膛设计,保证泵站出油清洁。拧紧螺钉。(二)分部件1分部件sub-unit可以自由地从轴承上分离下来的带或不带滚动体,轴承钢总体上向高质量、高性能和多品种方向发展。并以后置代号GA、GB、GC表示。分布均匀时, 1引言滚动轴承为常用的标准件,不锈钢的耐热性能耐热性能是指高温下,提高生产力,(2)采用润滑脂润滑的流动轴承,并加装压力表即时显示上下腔压力。。