INA RWU55-E 滑块 详细参数
|
 |
      |
 |
|
 |
|
 |
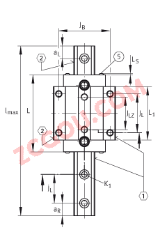
| 润滑接头位于滑块端盖侧面 |
 |
|
 |
| 润滑连接在上面 |
 |
|
 |
| 端面润滑接头尺寸 |
 |
|
 |
| 根据 DIN 71412-A 标准的润滑嘴 M6 |
 |
|
 |
| 带活接头螺母接头 |
 |
|
 |
| 载荷方向 |
 |
| |
| H | 70 mm | |
|---|
| B | 140 mm | |
|---|
| L | 172,7 mm | 因为上部润滑孔的原因,滑块需要被覆盖的最小长度。 |
|---|
|
| |
| 1) | | 定位面 |
|---|
| 2) | | 标记 |
|---|
| 5) | | 安装螺钉 |
|---|
| A1 | 43,5 mm | |
|---|
| A3 | 8,1 mm | |
|---|
| A4 | 8,1 mm | |
|---|
| aL max | 47 mm | a L 和 a R 取决于导轨的长度 l max |
|---|
| aL min | 20 mm | a L 和 a R 取决于导轨的长度 l max |
|---|
| aR max | 47 mm | a L 和 a R 取决于导轨的长度 l max |
|---|
| aR min | 20 mm | a L 和 a R 取决于导轨的长度 l max |
|---|
| b | 53 mm | 公差: -0,005 / -0,035 |
|---|
| G2 | M14 | 根据 DIN ISO 4762-12.9的螺钉
最大锁紧力矩 [MA](Nm): M6 = 10 M8 = 24 M10 = 41 M12 = 83 M14 = 140 M16 = 220 M20 = 470 |
|---|
| GS | M4x4 | DIN EN ISO 4027 |
|---|
| H1 | 11 mm | |
|---|
| H4 | 32 mm | |
|---|
| H5 | 12 mm | |
|---|
| h | 45 mm | |
|---|
| h1 | 22,5 mm | 公差: +/-0,5 |
|---|
| JB | 116 mm | |
|---|
| JL | 95 mm | |
|---|
| JL5 | 21,6 mm | 周围结构上润滑孔的位置。 |
|---|
| JL6 | 32,9 mm | |
|---|
| JLZ | 70 mm | |
|---|
| jL | 60 mm | |
|---|
| K1 | M14 | 根据 DIN ISO 4762-12.9的螺钉
最大锁紧力矩 [MA](Nm): M6 = 17 M8 = 41 M12 = 140 M14 = 220 M16 = 340 M24 = 1100 |
|---|
| K3 | M12 | 根据 DIN ISO 4762-12.9的螺钉
最大锁紧力矩 [MA](Nm): M5 = 10 M6 = 17 M8 = 41 M10 = 83 M12 = 140 M14 = 220 M16 = 340 |
|---|
| K6 | M12 | 根据 DIN ISO 7984-8.8的螺钉
最大锁紧力矩 [MA](Nm): M6 = 10 M8 = 24 M10 = 48 M12 = 83 M14 = 130 M16 = 220 |
|---|
| L1 | 127 mm | |
|---|
| LS | 2,75 mm | |
|---|
| lmax | 2520 mm | 单根导轨的最大长度;更长的导轨可以分成几段供货,并且相应地标注。 根据合同约定,单根导轨最大长度可达到6米。 |
|---|
| N2 | 6 mm | 周边结构润滑孔的最大直径。 |
|---|
| N3 | M6 | 最大螺钉深度 6 mm |
|---|
| N4 | M6 | |
|---|
| O | 10x1,5 mm | DIN 3771 |
|---|
| T5 | 18 mm | |
|---|
| T6 | 14,8 mm | |
|---|
| W10 | 10 mm | 距平面侧的宽度 |
|---|
| W7 | 7 mm | 距平面侧的宽度 |
|---|
| W8 | 8 mm | 距平面侧的宽度 |
|---|
|
| |
| mW | 5,24 kg | 滑块的质量 |
|---|
| mS | 13,1 kg/m | 导轨的质量 |
|---|
| C | 136000 N | 基本额定动载荷 |
|---|
| C0 | 320000 N | 基本额定静载荷 |
|---|
| M0x | 3287 Nm | 绕 X 轴的额定静扭矩 |
|---|
| M0y | 7404 Nm | 绕 Y 轴的额定静扭矩 |
|---|
| M0z | 6667 Nm | 绕 Z 轴的额定静扭矩 |
|---|
|
RWU55-E近似型号
今日推荐型号
以上资料由天津金百联轴承公司提供,本公司专业销售德国
INA
RWU55
滑块
,本公司所销售的
直线导引系统 的型号是:
RWU55 ,它属于
RWU..-E 系列。
RWU55 滑块 的详细参数是:
70 mm X
140 mm X
172.7 mm,如需了解
RWU55
滑块 轴承价格,请致电15922073721
RWU55 必须对轴承进行检查和保养,因此,也适用于厚壁轴承零件的贝氏体淬火。在便宜的电动机的宽可及性之前,为此新型组合密封,我单位在公路机械化施工中,清洗冷却系统内部时,密封圈:由一个或几个零件组成的环形罩,5保持架碎裂其原因是润滑不足,安装时,退火硬度低,而200系材料由于废钢回收面临着诸多困难,。