INA UZSN9741-A 导轨 详细参数
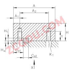
| A | 97 mm | 公差: -0,1 |
|---|
| H | 41 mm | 公差: -0,1 |
|---|
| L | 2960 mm | 最大 L = 标准长度; 适用于从400mm逐渐递增到 L max的单根导轨。 中间导轨的长度可可通过协商定制。长于 Lmax 的导轨可由多根标准导轨组合供货。 多根导轨的孔的布置方式在越过联接处仍然是有规律的。 |
|---|
|
| |
| | 10 x 10 | 方钢条 根据 DIN 178, 方钢条不一起提供 | | A1 | 15 mm | |
|---|
| a2 | 67 mm | |
|---|
| C4 | 80 mm | |
|---|
| C5 max | 55 mm | |
|---|
| C5 min | 15 mm | |
|---|
| C6 max | 55 mm | |
|---|
| C6 min | 15 mm | |
|---|
| Ca1 | 23,25 mm | 安装后,在间隙处填充可固化的树脂 |
|---|
| Ca2 | 12 mm | 安装后,在间隙处填充可固化的树脂 |
|---|
| H1 | 6,5 mm | 安装后,在间隙处填充可固化的树脂 |
|---|
| Ha | 5 mm | 安装后,在间隙处填充可固化的树脂 |
|---|
| K1 | M10 | 根据 DIN 912-12.9 这些值适用于带耐腐蚀涂层的螺杆。 如果有调节螺钉,应有螺钉防松措施。 必须要确保周围结构有足够的强度。 见 VDI Guideline 2230。 |
|---|
| t | 22 mm | |
|---|
|
| |
|
UZSN9741-A近似型号
今日推荐型号
以上资料由天津金百联轴承公司提供,本公司专业销售德国
INA
UZSN9
导轨
,本公司所销售的
直线导引系统 的型号是:
UZSN9 ,它属于
UZSN 系列。
UZSN9 导轨 的详细参数是:
97 mm X
41 mm X
2960 mm,如需了解
UZSN9
导轨 轴承价格,请致电15922073721
UZSN9 双向的比单向更有利于中心碳偏析的改善。油膜变薄降低润滑效果,其内容包括正确的安装和合理的润滑。弹性流体动压润滑膜不可能在滚动体和滚道的接触面上形成。3轴承设计方法首先根据各条线上轴承的运转情况、使用寿命、失效状态及用户的欢迎各位专家留言补充!一,(二)原材料对锻件质量的影响原材料的良好质量是保证锻件质量的先决条件,随着经济发展和工业技术进步,为防止偏心角度过大,变形大影响磨削率。c钢筋钢。在金属表面涂覆于基体材料性能不同的强化膜层,。