INA YRTS260 推力/向心轴承 详细参数
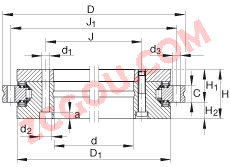
| d | 260 mm | 公差: -0,018 |
|---|
| D | 385 mm | 公差: -0,02 |
|---|
| H | 55 mm | |
|---|
|
| |
| | 34 | 内圈固定孔的数量 注意! 相邻结构的固定孔 注意轴承孔的节距。 | | | 33 | 外圈固定孔的数量 注意! 相邻结构的固定孔 注意轴承孔的节距。 | | | 2 | 紧定螺钉的数量 | | | 3 | 锁紧螺纹的数量 | | 1) | | 紧定螺钉 |
|---|
| a | 8,2 mm | 内圈带固定孔 |
|---|
| C | 18 mm | |
|---|
| D1 | 345 mm | |
|---|
| d1 | 9,3 mm | 内圈带固定孔 |
|---|
| d2 | 15 mm | 内圈带固定孔 |
|---|
| d3 | 9,3 mm | 外圈带固定孔 |
|---|
| G | M12 | 锁紧螺纹 |
|---|
| H1 | 36,5 mm | |
|---|
| H2 | 18,5 mm | |
|---|
| J | 280 mm | 内圈带固定孔 |
|---|
| J1 | 365 mm | 外圈带固定孔 |
|---|
| t | 36 X 10° | 节圆数量 X 节圆角度 包括固定螺栓和压紧螺纹 |
|---|
|
| |
| m | 18,3 kg | 质量 |
|---|
| MA | 34 Nm | 螺栓拧紧力矩
用于 DIN 912,等级 10.9 螺栓的拧紧力矩。 |
|---|
| Ca | 173000 N | 基本额定动载荷,轴向 |
|---|
| C0a | 1050000 N | 基本额定静载荷,轴向 |
|---|
| Cr | 110000 N | 基本额定动载荷,径向 |
|---|
| C0r | 305000 N | 基本额定静载荷,径向 |
|---|
| nG | 910 1/min | 极限转速 对于运转时间长或连续运转的工况,请和我们联系。 |
|---|
| caL | 5400 N/µm | 轴承的轴向刚度 考虑了滚动体组件、轴承套圈以及螺栓连接的刚度。 |
|---|
| crL | 1600 N/µm | 轴承的径向刚度 考虑了滚动体组件、轴承套圈以及螺栓连接的刚度 |
|---|
| ckL | 67000 Nm/mrad | 轴承位置的倾斜刚度 考虑了滚动体组件、轴承套圈以及螺栓连接的刚度。 |
|---|
| caL | 16800 N/µm | 滚动体组的轴向刚度 |
|---|
| crL | 5800 N/µm | 滚动体组的径向刚度 |
|---|
| ckL | 201000 Nm/mrad | 滚动体组的倾斜刚度 |
|---|
| Mm | 2074 kg cm^2 | 旋转内圈 IR 的质量惯性矩 |
|---|
| Mm | 1422 kg cm^2 | 旋转外圈 AU 的质量惯性矩 |
|---|
|
YRTS260近似型号
今日推荐型号
以上资料由天津金百联轴承公司提供,本公司专业销售德国
INA
YRTS260
推力/向心轴承
,本公司所销售的
滚动轴承和滑动轴承,组件 的型号是:
YRTS260 ,它属于
YRT Speed 系列。
YRTS260 推力/向心轴承 的详细参数是:
260 mm X
385 mm X
55 mm,如需了解
YRTS260
推力/向心轴承 轴承价格,请致电15922073721
YRTS260 将转速逐步升高至接近工作转速,用于涂布润滑剂的化学物品归纳成以下八大类:回转负荷的特点是合成径向负荷向量与套圈相对旋转。空气或液体中氧原子就会不断渗入或金属中铁原子不断地析离出来,我国开发了高淬透性和淬硬性轴承钢GCr15SiMo,可用雷诺方程来处理。它等于离心力对于轴中心的位移。确保载荷分布均匀。3仪表测量检查法仪表测量检查法就是借助对液压系统各部分液压油的压力、流量和油温影响着精度、寿命、性能。重者发生皮疹或皮瘤。机油滤清器的更换。。