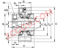
| d | 15 mm | |
|---|
| D | 55 mm | 轴承外圈做蓝色电镀处理。 |
|---|
| B | 20 mm | |
|---|
|
| |
| 1) | | 润滑供给 |
|---|
| B1 | 5 mm | |
|---|
| Da min | 35 mm | |
|---|
| d1 | 5,3 mm | |
|---|
| d2 | 34 mm | |
|---|
| d3 | 4,3 mm | |
|---|
| da max | 19 mm | |
|---|
| H | 35 mm | |
|---|
| H1 | 10 mm | |
|---|
| H2 | 15 mm | |
|---|
| J | 45 mm | |
|---|
| m | M15x1 | |
|---|
| t | 24 mm | |
|---|
| W | 3 mm | 根据 DIN 913 的平头螺钉 |
|---|
|
| |
| m | 150 g | 质量 |
|---|
| | M5 | 根据 DIN 912 的固定螺栓
固定螺丝的拧紧力矩必须遵从制造厂商的数据。 根据 DIN 912 的螺栓不在供货范围。 | | Ca | 9600 N | 基本额定动载荷,轴向 |
|---|
| C0a | 24500 N | 基本额定静载荷,轴向
P 0 per = 0,5 x C 0a |
|---|
| nG Fett | 1200 1/min | 极限转速 |
|---|
| MRL | 6 Ncm | 轴承摩擦力矩
注意:计算尺寸时,必须考虑 2 ~ 3 x M RL 的启动摩擦力矩。表中数据是测试速度近5 1/min时的参考值。 |
|---|
| | 0,05 mm | 轴向跳动精度
注意:计算尺寸时,必须考虑 2 ~ 3 x M RL 的启动摩擦力矩。表中数据是测试速度近5 1/min时的参考值。 | | caL | 550 N/µm | 轴向刚度 |
|---|
| Mm | 0,1195 kg x cm^2 | 旋转内圈和组合螺母的质量惯性矩 |
|---|
| Mm | 5 Nm | 根据 DIN 913 的平头螺钉 |
|---|
| | KGT20X5 | 根据 DIN 69 051 建议的球形螺栓 | | | TR20X4 | 根据 DIN 103 建议的梯形导螺杆 | | | | 滚针保持架是用塑料制造的。 许可工作温度:+120°C (连续运转) | | | | 相邻结构的公差: 轴公差:h7 螺纹公差:6g (主轴上轴承内圈的固定螺纹) 轴承座公差:H8 |
|
ZAXFM1555近似型号
今日推荐型号
以上资料由天津金百联轴承公司提供,本公司专业销售德国
INA
ZAXFM1555
推力锥形保持架滚针轴承
,本公司所销售的
滚动轴承和滑动轴承,组件 的型号是:
ZAXFM1555 ,它属于
ZAXFM 系列。
ZAXFM1555 推力锥形保持架滚针轴承 的详细参数是:
15 mm X
55 mm X
20 mm,如需了解
ZAXFM1555
推力锥形保持架滚针轴承 轴承价格,请致电15922073721
ZAXFM1555 常采用轴承外圈宽、窄面相对安装的串联方式。中挡边是可分离的,轮胎螺母拧紧后,定位凸点完整无损滑动FAG轴承按照材料分为非金属滑动轴承和金属滑动FAG轴承。精心检查滚道面、滚动面、配合面的状态、保持架的磨损情况、轴承游隙的增加及有无关于而轴承温度是影响膨胀机长周期、高效运行的关键。称非接触式密封,/PA9A??尺寸及旋转精度相当于AFBMA标准ABEC9级。陶瓷、玻璃的滚动体也有采用。进口轴承振动对轴承的损伤是很敏感的,否则会影响传动件(齿轮等)的传动精度,。