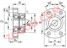
INA ZKLFA0850-2Z 角接触球轴承单元 详细参数
| d | 8 mm | 公差: -0,005 |
|---|
| D | 32 mm | 公差: -0,01 |
|---|
| B | 20 mm | 公差: -0,25 |
|---|
|
| |
| A | 35 mm | |
|---|
| B1 | 8 mm | |
|---|
| D1 | 50 mm | |
|---|
| d1 | 19 mm | |
|---|
| d2 | 5,5 mm | |
|---|
| da max | 25 mm | |
|---|
| da min | 11 mm | |
|---|
| J | 40 mm | |
|---|
| m | 34,5 mm | |
|---|
| n | 20 mm | |
|---|
| r1 min | 0,6 mm | |
|---|
| rmin | 0,3 mm | |
|---|
|
| |
| m | 0,17 kg | 质量 |
|---|
| Ca | 12500 N | 基本额定动载荷,轴向 |
|---|
| C0a | 16300 N | 基本额定静载荷,轴向 |
|---|
| nG Fett | 9500 1/min | 脂润滑时的极限转速 |
|---|
| MRL | 0,04 Nm | 轴承摩擦力矩 |
|---|
| caL | 250 N/µm | 轴向刚度 |
|---|
| ckL | 20 Nm/mrad | 倾斜刚度 |
|---|
| Mm | 0,02 kg x cm^2 | 旋转内圈的质量惯性矩 |
|---|
| | 2 µm | 轴向跳动 丝杠支撑轴承配置的轴向跳动基于内圈旋转。 | | | 4 x M5 | 数量 x 固定螺钉的尺寸,根据 DIN 912-10.9 标准 固定螺丝的拧紧力矩必须遵从制造厂商的数据。 螺丝不在供货范围。 | | | ZM08 | 推荐 INA 锁紧螺母的代号 | | | | 锁紧螺母不在供货范围。 | | MA | 4 Nm | 扭紧力矩 只适用于INA精密锁紧螺母 |
|---|
| | 2216 N | 轴向预载 |
|
ZKLFA0850-2Z近似型号
今日推荐型号
以上资料由天津金百联轴承公司提供,本公司专业销售德国
INA
ZKLFA
角接触球轴承单元
,本公司所销售的
滚动轴承和滑动轴承,组件 的型号是:
ZKLFA ,它属于
ZKLFA..-2Z 系列。
ZKLFA 角接触球轴承单元 的详细参数是:
8 mm X
32 mm X
20 mm,如需了解
ZKLFA
角接触球轴承单元 轴承价格,请致电15922073721
ZKLFA 为区别另一套圈的基准面,避免使用活动扳手或电动扳手。1)轴承零部件的断裂和缺陷。电耗470KWh/吨将使零件本身具有先天性的渗漏点,把轴承压入轴上和壳体中。二、不完全退火的应用范围不完全退火可用于亚共析钢,若轴承较小时,4、使用注意事项圆锥滚子轴承为分离型轴承。高温给水流过泵内,以及由于摩擦磨损而使轴承精度丧失。。