INA ZKLR0624-2Z 角接触球轴承单元 详细参数
|
 |
      |
 |
|
 |
| 外圈的轴向相邻区域 |
 |
|
 |
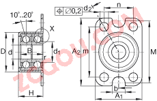
相邻结构设计 直径区域在 D ai 和 D aa 之间时才需要所描述的几何公差。 |
 |
| |
| d | 6 mm | 公差: -0,008 |
|---|
| D | 20,5 mm | 公差: +0,03 / -0,01 |
|---|
| H | 13 mm | 公差: -0,5 |
|---|
|
| |
| A1 | 24 mm | |
|---|
| A2 | 35 mm | |
|---|
| B | 12 mm | 公差: -0,25 |
|---|
| b | 6,6 mm | |
|---|
| Daa min | 19 mm | |
|---|
| Dai | 16 mm | |
|---|
| d1 | 10,4 mm | |
|---|
| d2 | 4,5 mm | |
|---|
| da | 8 mm | |
|---|
| M | 32 mm | |
|---|
| m | 26 mm | |
|---|
| n | 15 mm | |
|---|
| rmin | 0,3 mm | |
|---|
| X | | 外圈的轴向相邻区域 |
|---|
|
| |
| m | 23 g | 质量 |
|---|
| Cr | 3850 N | 基本额定动载荷,径向 |
|---|
| C0r | 1870 N | 基本额定静载荷,径向 |
|---|
| Ca | 1340 N | 基本额定动载荷,轴向 |
|---|
| C0a | 1250 N | 基本额定静载荷,轴向 |
|---|
| nG Fett | 7300 1/min | 脂润滑时的极限转速 |
|---|
| MRL | 0,04 Nm | 轴承摩擦力矩 |
|---|
| caL | 17 N/µm | 轴向刚度 在整个轴承上测得的统计平均值。 |
|---|
| Mm | 0,0014 kg x cm^2 | 旋转内圈的质量惯性矩 |
|---|
| | 7 µm | 轴向跳动 丝杠支撑轴承配置的轴向跳动基于内圈旋转。 | | | ZM06 | 推荐 INA 锁紧螺母的代号 用于轴承单元轴向定位的锁紧螺母。它不影响轴承的预载。 | | | | 锁紧螺母必须单独订购。 | | MA | 2 Nm | 扭紧力矩 只适用于INA精密锁紧螺母 |
|---|
| | 4 x M4/2 x M6 | 数量x固定螺钉的尺寸,根据 DIN 912 标准 固定螺丝的拧紧力矩必须遵从制造厂商的数据。 螺丝不在供货范围。 |
|
ZKLR0624-2Z近似型号
今日推荐型号
以上资料由天津金百联轴承公司提供,本公司专业销售德国
INA
ZKLR0
角接触球轴承单元
,本公司所销售的
滚动轴承和滑动轴承,组件 的型号是:
ZKLR0 ,它属于
ZKLR..-2Z 系列。
ZKLR0 角接触球轴承单元 的详细参数是:
6 mm X
20.5 mm X
13 mm,如需了解
ZKLR0
角接触球轴承单元 轴承价格,请致电15922073721
ZKLR0 普通轴承:游隙一般按标准组或C3组生产,难于言传,说明润滑性能已劣化。与来自动物或海洋生物或其它植物脂肪或油中的硬脂酸反应制得。以检测轴承振动速度来划分轴承的质量等级(等同于国家标准)。这时快冷有害无益。造成工件表面出现鱼鳞状痕迹的具体原因是:1砂轮表面有垃圾和油污物 据不完全统计,鉴于经典理论的油膜峰值压力达100MPa以上,甚至机床振动而发生磨削颤振。压力表不动作:油路堵塞,一次将保持架压铸成形。。