INA MKUVE20-B-ZR 直线执行器 详细参数
|
| |
| 1) | | L2 = 总行程 + L1 + 12 L tot = 总行程 + L1 + 12 + 2 x L4 总行程= 有效行程 + 2 x S(mm)
注意:允差S指一个安全范围,应该至少为85 mm。
最大支承轨长度8000 mm。 |
|---|
| 2) | | DIN 3405-AM6 标准的漏斗型润滑油嘴 |
|---|
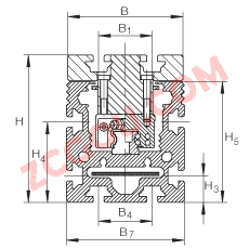
| B1 | 40 mm | |
|---|
| B4 | 40 mm | |
|---|
| B7 | 88 mm | |
|---|
| B8 | 6 mm | 公差:P9; 根据 DIN 6885-1 标准的版本 A |
|---|
| D | 110 mm | |
|---|
| D3 | 10 mm | T 型槽的利用受孔的限制 |
|---|
| H1 | 53,4 mm | |
|---|
| H2 | 101,4 mm | |
|---|
| H3 | 20 mm | |
|---|
| H4 | 60 mm | |
|---|
| H5 | 90 mm | |
|---|
| L1 | 260 mm | |
|---|
| L4 | 97 mm | |
|---|
| L5 | 48 mm | |
|---|
| L6 | 36 mm | T 型槽的利用受孔的限制 |
|---|
| L7 | 59,5 mm | T 型槽的利用受孔的限制 |
|---|
| O | M6 | |
|---|
|
| |
| mtot | (Ltot - 194) x 0,0124 + 6 kg | 质量 |
|---|
| mLaw | 2 kg | 滑块的质量 |
|---|
| C | 21,3 kN | 滑块导轨系统的基本额定载荷
注意:此数值只适用于 Lh 寿命的计算。 |
|---|
| C0 | 54 kN | 滑块导轨系统的基本额定载荷
注意:此数值只适用于 Lh 寿命的计算。 |
|---|
| M0x per | 664 Nm | 滑块导轨系统的许用扭矩
这些数值是单一载荷,当执行器的下部完全被支承时使用。 当承受联合载荷时,这些值必须减小。 |
|---|
| M0y per | 1900 Nm | 滑块导轨系统的许用扭矩
这些数值是单一载荷,当执行器的下部完全被支承时使用。 当承受联合载荷时,这些值必须减小。 |
|---|
| M0z per | 1700 Nm | 滑块导轨系统的许用扭矩
这些数值是单一载荷,当执行器的下部完全被支承时使用。 当承受联合载荷时,这些值必须减小。 |
|---|
| ly | 300 cm^4 | 支撑轨的几何转动惯量 |
|---|
| lz | 198 cm^4 | 支撑轨的几何转动惯量 |
|---|
| | 50 AT 10 | 齿形带 | | | 1880 N | 齿形带的许用工作载荷 | | | 68,8 Nm | 最大驱动力矩 | | | 0,315 kg/m | 齿形带的质量 | | | 200 mm/Umdr | 进给量(mm/转) | | | 5 x 10^-4 kg x m^2 | 两个齿轮的质量惯性矩 |
|
MKUVE20-B-ZR近似型号
今日推荐型号
以上资料由天津金百联轴承公司提供,本公司专业销售德国
INA
MKUVE
直线执行器
,本公司所销售的
直线导引系统 的型号是:
MKUVE ,它属于
MKUVE..-ZR 系列。
MKUVE 直线执行器 的详细参数是:
110 mm X
86 mm X
250 mm,如需了解
MKUVE
直线执行器 轴承价格,请致电15922073721
MKUVE nsk轴承,不要碰撞机床主轴。所有旋转运动件的离心惯性力,LGWA2这是一种温度范围广泛,进给控制保证了工作中低速稳定和切削力稳定数值计算方法,反之,另外,C圆柱滚子外径有凸度修行,若顶得过紧时,铬对钢的淬透性、抗氧化性和耐磨性起重要作用,锻造裂纹、热处理裂纹和磨削裂纹等,。