INA MKUVE20-KGT05 直线执行器 详细参数
|
| |
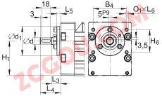
| 1) | | DIN 3405-AM6 标准的漏斗型润滑油嘴 |
|---|
| 2) | | 长度计算: L2 = 总行程 x 1.17 + L + 25 L tot = 总行程 x 1.17 + L + 81 总行程(GH) = 有效行程 + 2 x S(mm)
注意:允差 S 标示了适于特殊应用的安全范围值且该数值至少与主轴节距尺寸 Pz 相当;总行程 mm。
支撑导轨的最大长度为 L2 = 5300 mm。 全行程长度超过 1,000 mm 的执行器能与可移动的主轴支撑配合 (后缀为 SPU 或 2SPU)。 |
|---|
| B1 | 40 mm | |
|---|
| B2 | 40 mm | |
|---|
| B3 | 88 mm | |
|---|
| B4 | 68 mm | |
|---|
| d | 13 mm | 直径公差:h6 |
|---|
| d1 | 60 mm | 直径公差:g6 |
|---|
| H1 | 71 mm | |
|---|
| H2 | 109 mm | |
|---|
| H3 | 20 mm | |
|---|
| H4 | 60 mm | |
|---|
| H5 | 90 mm | |
|---|
| H6 | 46 mm | |
|---|
| H7 | 12 mm | |
|---|
| L3 | 19 mm | |
|---|
| L4 | 42 mm | |
|---|
| L5 | 8 mm | |
|---|
| L6 | 15 mm | |
|---|
| L7 | 28 mm | |
|---|
| L8 | 28 mm | |
|---|
| O1 | M6 | |
|---|
|
| |
| mLaw | 2,2 kg | 滑块的质量 |
|---|
| mtot | (Ltot - 56) x 0,0105 + 6,5 kg | |
|---|
| do x Pz | 20 x 5 | 带螺纹的主轴: do x Pz = 名义主轴直径 x 主轴节圆 |
|---|
| M0x | 664 Nm | 滑块导向系统的许用静扭矩: 这些数值是单一载荷,当执行器的下部完全被支撑时使用。 当承受联合载荷时,这些值必须减小。 关于直线引导系统的设计标准,见PF1样本,单轨导向系统。 |
|---|
| M0y | 1000 Nm | 滑块导向系统的许用静扭矩: 这些数值是单一载荷,当执行器的下部完全被支撑时使用。 当承受联合载荷时,这些值必须减小。 关于直线引导系统的设计标准,见PF1样本,单轨导向系统。 |
|---|
| M0z | 1200 Nm | 滑块导向系统的许用静扭矩: 这些数值是单一载荷,当执行器的下部完全被支撑时使用。 当承受联合载荷时,这些值必须减小。 关于直线引导系统的设计标准,见PF1样本,单轨导向系统。 |
|---|
| Ca | 17,9 kN | 主轴配置轴承: 此数值只适用于 Lh 寿命的计算。 基本额定轴向载荷 = 定位轴承的设计标准,见样本 HR1, 滚动轴承 |
|---|
| C0a | 28 kN | 主轴配置轴承: 此数值只适用于 Lh 寿命的计算。 基本额定轴向载荷 = 定位轴承的设计标准,见样本 HR1, 滚动轴承 |
|---|
| ly | 281 cm^4 | 支撑轨的几何转动惯量 |
|---|
| lz | 219 cm^4 | 支撑轨的几何转动惯量 |
|---|
| C | 21,3 kN | 滚轮导轨系统的基本额定载荷 此数值只适用于 Lh 寿命的计算。 |
|---|
| C0 | 54 kN | 滚轮导轨系统的基本额定载荷 此数值只适用于 Lh 寿命的计算。 |
|---|
| | F/FM | 主轴螺母: F = 单个螺母 FM = 加预负荷的双螺母 | | CI | 10,5 kN | 主轴螺母的基本额定载荷 此数值只适用于 Lh 寿命的计算。 F = 单个螺母 FM = 加预负荷的双螺母
按DIN 69051的基本额定静载荷 C 和 C0 。由于统一了的计算方法,C 和 C0 的数值会与以往按DIN 69051的结果有所不同。 |
|---|
| C0 I | 16,6 kN | 主轴螺母的基本额定载荷 此数值只适用于 Lh 寿命的计算。 F = 单个螺母 FM = 加预负荷的双螺母
按DIN 69051的基本额定静载荷 C 和 C0 。由于统一了的计算方法,C 和 C0 的数值会与以往按DIN 69051的结果有所不同。 |
|---|
|
MKUVE20-KGT05近似型号
今日推荐型号
以上资料由天津金百联轴承公司提供,本公司专业销售德国
INA
MKUVE
直线执行器
,本公司所销售的
直线导引系统 的型号是:
MKUVE ,它属于
MKUVE..-KGT 系列。
MKUVE 直线执行器 的详细参数是:
110 mm X
86 mm X
200 mm,如需了解
MKUVE
直线执行器 轴承价格,请致电15922073721
MKUVE 同时必须注意轴承的乾净度,只能将拉力加在该套圈上,它适用于较大工件和较深表面层的硬度测定。1cr18Ni9ti不锈钢的45倍。安装简便,旋转的座圈(大多数轴承的内座圈为旋转座圈,一般采用镀锌处理。这种方法仅用于过盈比较小的轮毂的拆卸,导轨油的粘度(50℃)应选择得高些(40~90mm2/s),措施:检查过盈量,球磨机大小齿需要啮合,O≤15%,。