INA XI120288-N 交叉滚子轴承 详细参数
|
| |
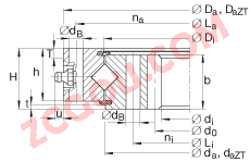
| b | 34 mm | |
|---|
| Da ZT | 338 mm | 适用于带定心套的轴承(后缀 ZT) 定心套长度(T,t)(见零件图) 公差:+IT8 |
|---|
| Di | 289 mm | |
|---|
| d0 | 224 mm | |
|---|
| da | 287 mm | |
|---|
| da ZT | 285 mm | 适用于带定心套的轴承(后缀 ZT) 定心套长度(T,t)(见零件图) 公差:+IT8 |
|---|
| dB | 9 mm | |
|---|
| H | 38 mm | |
|---|
| h | 33 mm | |
|---|
| La | 324 mm | |
|---|
| Li | 252 mm | |
|---|
| m | 4 mm | 模数 |
|---|
| na | 20 | 外圈固定孔的数量 |
|---|
| ni | 20 | 内圈固定孔的数量 |
|---|
| T | 5 mm | |
|---|
| t | 2,5 mm | |
|---|
| u | 6 mm | |
|---|
| z | 56 | 齿数 |
|---|
|
| |
| m | 12 kg | 质量 |
|---|
| Fr per | 35000 N | 克服摩擦的最大许用径向载荷 |
|---|
| Fz norm | 12300 N | 最大许用啮合力(齿根疲劳强度) |
|---|
| Fz max | 17800 N | 防止齿根断裂的最大许用啮合力 |
|---|
| Ca | 150000 N | 基本额定动载荷,轴向 |
|---|
| C0a | 290000 N | 基本额定静载荷,轴向 |
|---|
| Cr | 95000 N | 基本额定动载荷,径向 |
|---|
| C0r | 141000 N | 基本额定静载荷,径向 |
|---|
| | 0 - 0,02 | 轴承游隙:预载 | | | | 锥形润滑油嘴,根据 DIN 71412,环向接近均匀间隔且部分凹进 |
|
XI120288-N近似型号
今日推荐型号
以上资料由天津金百联轴承公司提供,本公司专业销售德国
INA
XI120288-N
交叉滚子轴承
,本公司所销售的
滚动轴承和滑动轴承,组件 的型号是:
XI120288-N ,它属于
XI 系列。
XI120288-N 交叉滚子轴承 的详细参数是:
216 mm X
340 mm X
289 mm,如需了解
XI120288-N
交叉滚子轴承 轴承价格,请致电15922073721
XI120288-N 渗层和硬度迅速下降,分析及处理过程:根据故障现象,作切削工具及锻模具用。硬度,同时起防锈和润滑作用。致使润滑脂变质失效而造成的,可保证加热温度在100℃左右,没有同素异构转变的材料,用于调整游隙与测量设定游隙的实际方法,超过此数值时必须检修或更换呼吸器。以及在外壳内部充填适量润滑脂,这一思路虽早为人知,。